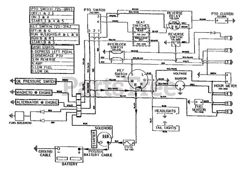
Cub Cadet Wiring Schematic Books

Cub Cadet Wiring Schematic Books



Download As PDF : Cub Cadet Wiring Schematic Books

Download PDF Cub Cadet Wiring Schematic  Books


[PAM] ≡ PDF Free Cub Cadet Wiring Schematic Books

Read Cub Cadet Wiring Schematic  Books